MLAB
library
svnkaklik
MLAB_E
8magsvn
Català-Valencià – Catalan
中文 – Chinese (Simplified)
中文 – Chinese (Traditional)
Česky – Czech
Dansk – Danish
Nederlands – Dutch
English – English
Suomi – Finnish
Français – French
Deutsch – German
עברית – Hebrew
हिंदी – Hindi
Magyar – Hungarian
Bahasa Indonesia – Indonesian
Italiano – Italian
日本語 – Japanese
한국어 – Korean
Македонски – Macedonian
मराठी – Marathi
Norsk – Norwegian
Polski – Polish
Português – Portuguese
Português – Portuguese (Brazil)
Русский – Russian
Slovenčina – Slovak
Slovenščina – Slovenian
Español – Spanish
Svenska – Swedish
Türkçe – Turkish
Українська – Ukrainian
Oëzbekcha – Uzbek
Subversion Repositories
svnkaklik
(root)
/
/
dokumenty
/
skolni
/
mereni
/
E3A
/
protokol7
/
schemaB.png
– Rev 664
Rev
Show changed files
|
Details
|
Compare with Previous
|
Blame
Filtering Options
From rev
To rev
Max revs
Search history for
Show All
Rev
Age
Author
Path
Log message
Diff
664
5731 d 11 h
kaklik
/dokumenty/
uklid v dokumentech
382
6701 d 15 h
kaklik
/dokumenty/mereni/
ukllid v protokolech
119
6945 d 11 h
kaklik
/dokumenty/mereni/protokol7/
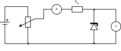
Přidána schemata k protokolu 7, měření V/A charakteristiky diody.