Subversion Repositories svnkaklik

Rev

Rev 913 | Rev 915 | Go to most recent revision | Last modification | Compare with Previous | View Log | Download

Last modification

Path Last modification Log Download
[NODE][NODE][NODE][NODE] [FILE] data.ods 914  5084 d 7 h kaklik Log Download
[NODE][NODE][NODE][NODE] [DB-FILE] hystereze_feromagnetika.png 912  5084 d 17 h kaklik Log Download
[NODE][NODE][NODE][NODE] [FILE] hysterezni_smycka.pdf 914  5084 d 7 h kaklik Log Download
[NODE][NODE][NODE][NODE] [FILE] hysterezni_smycka.tex 914  5084 d 7 h kaklik Log Download
[NODE][NODE][NODE][NODE] [FILE] HystSmycka_2012v2.pdf 909  5091 d 19 h kaklik Log Download
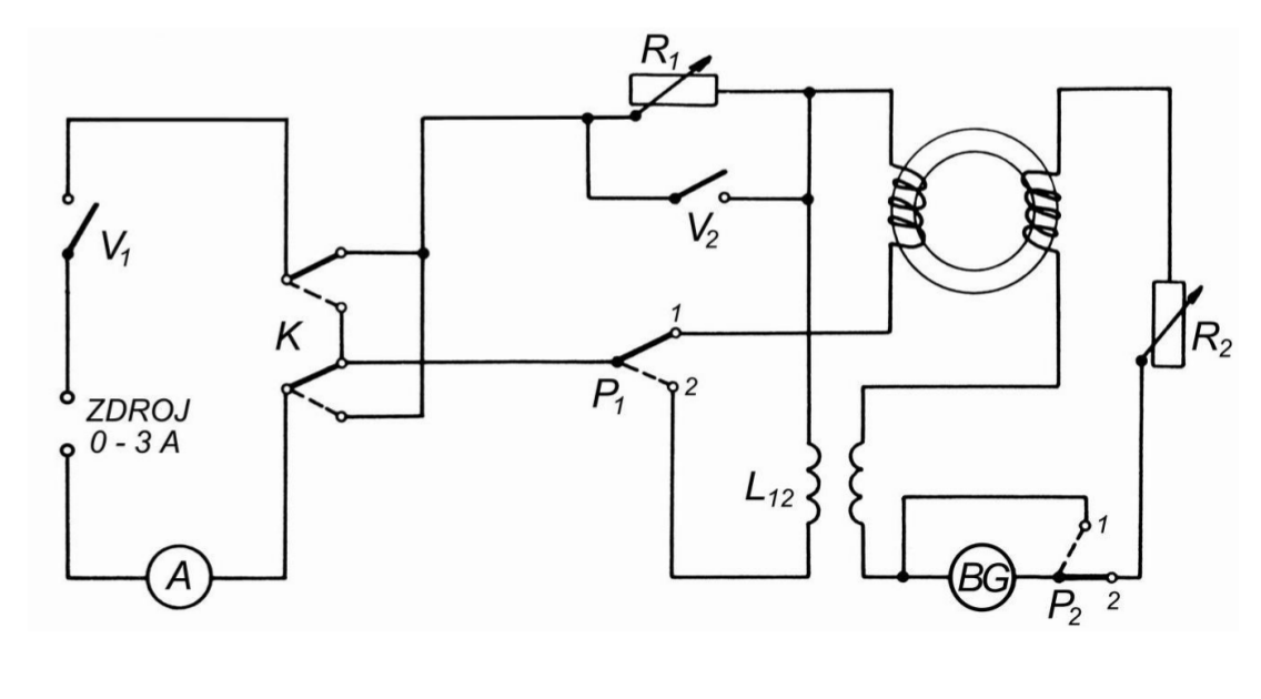
[NODE][NODE][NODE][NODE] [DB-FILE] schema_zapojeni.png 912  5084 d 17 h kaklik Log Download