Rev 2222 – kaklik – 5196 d 21 h (2011-09-20 19:35:27)
uklid
Subversion Repositories
–
MLAB
MLAB
library
svnkaklik
MLAB_E
8magsvn
Català-Valencià – Catalan
中文 – Chinese (Simplified)
中文 – Chinese (Traditional)
Česky – Czech
Dansk – Danish
Nederlands – Dutch
English – English
Suomi – Finnish
Français – French
Deutsch – German
עברית – Hebrew
हिंदी – Hindi
Magyar – Hungarian
Bahasa Indonesia – Indonesian
Italiano – Italian
日本語 – Japanese
한국어 – Korean
Македонски – Macedonian
मराठी – Marathi
Norsk – Norwegian
Polski – Polish
Português – Portuguese
Português – Portuguese (Brazil)
Русский – Russian
Slovenčina – Slovak
Slovenščina – Slovenian
Español – Spanish
Svenska – Swedish
Türkçe – Turkish
Українська – Ukrainian
Oëzbekcha – Uzbek
(root)
/
Designs
/
Measuring_instruments
/
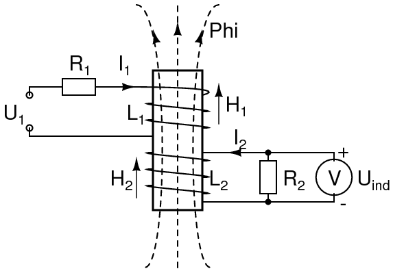
Fluxgate_magnetometer
/
DOC
/
SRC
/
transformer.png
Rev 2222
Show changed files
Details
Blame
Compare with Previous
From rev:
To rev:
Max revs:
Search history for:
Rev
Age
Author
Path
Log message
Diff
2222
5196 d 21 h
kaklik
/Designs/
uklid
Diff
2118
5233 d 19 h
paro
/Designs/Fluxgate_magnetometer/
Organization, Project info
Diff
2116
5233 d 19 h
paro
/Designs/Fluxgate_magnetometer/
Fluxgate magnetometer import
Diff