Subversion Repositories svnkaklik

Rev

Rev 915 | Rev 917 | Go to most recent revision | Last modification | Compare with Previous | View Log | Download

Last modification

Path Last modification Log Download
[NODE][NODE][NODE][NODE] [FILE] data.ods 916  4995 d 2 h kaklik Log Download
[NODE][NODE][NODE][NODE] [DB-FILE] hystereze_feromagnetika.png 912  4995 d 12 h kaklik Log Download
[NODE][NODE][NODE][NODE] [FILE] hysterezni_smycka.pdf 916  4995 d 2 h kaklik Log Download
[NODE][NODE][NODE][NODE] [DB-FILE] hysterezni_smycka.png 915  4995 d 3 h kaklik Log Download
[NODE][NODE][NODE][NODE] [FILE] hysterezni_smycka.tex 916  4995 d 2 h kaklik Log Download
[NODE][NODE][NODE][NODE] [FILE] HystSmycka_2012v2.pdf 909  5002 d 14 h kaklik Log Download
[NODE][NODE][NODE][NODE] [DB-FILE] komutace_dolu.txt 915  4995 d 3 h kaklik Log Download
[NODE][NODE][NODE][NODE] [DB-FILE] komutace_nahoru.txt 915  4995 d 3 h kaklik Log Download
[NODE][NODE][NODE][NODE] [FILE] plot.gp 915  4995 d 3 h kaklik Log Download
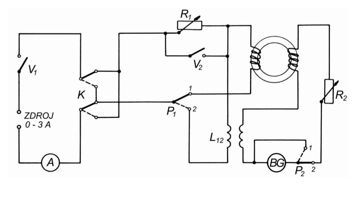
[NODE][NODE][NODE][NODE] [DB-FILE] schema_zapojeni.png 912  4995 d 12 h kaklik Log Download