MLAB
library
svnkaklik
MLAB_E
8magsvn
Català-Valencià – Catalan
中文 – Chinese (Simplified)
中文 – Chinese (Traditional)
Česky – Czech
Dansk – Danish
Nederlands – Dutch
English – English
Suomi – Finnish
Français – French
Deutsch – German
עברית – Hebrew
हिंदी – Hindi
Magyar – Hungarian
Bahasa Indonesia – Indonesian
Italiano – Italian
日本語 – Japanese
한국어 – Korean
Македонски – Macedonian
मराठी – Marathi
Norsk – Norwegian
Polski – Polish
Português – Portuguese
Português – Portuguese (Brazil)
Русский – Russian
Slovenčina – Slovak
Slovenščina – Slovenian
Español – Spanish
Svenska – Swedish
Türkçe – Turkish
Українська – Ukrainian
Oëzbekcha – Uzbek
Subversion Repositories
svnkaklik
(root)
/
/
dokumenty
/
skolni
/
mereni
/
E3A
/
protokol7/
@ 1090
– Rev 1175
Rev
Search
Rev 382
|
Last modification
|
Compare with Previous
|
View Log
|
Download
Last modification
Rev 664 2010-05-22 18:41:13
Author:
kaklik
Log message:
uklid v dokumentech
Path
Last modification
Log
Download
graf.xls
123
6871 d 18 h
kaklik
Log
Download
hodnoty.ods
127
6865 d 0 h
kaklik
Log
Download
protokol.odt
129
6864 d 18 h
kaklik
Log
Download
protokol.pdf
129
6864 d 18 h
kaklik
Log
Download
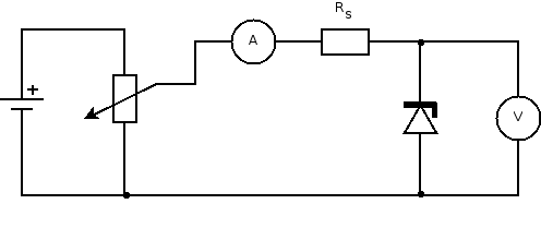
schema.dia
121
6871 d 23 h
kaklik
Log
Download
schema.png
121
6871 d 23 h
kaklik
Log
Download
schemaA.dia
119
6871 d 23 h
kaklik
Log
Download
schemaA.png
119
6871 d 23 h
kaklik
Log
Download
schemaB.dia
119
6871 d 23 h
kaklik
Log
Download
schemaB.dia~
119
6871 d 23 h
kaklik
Log
Download
schemaB.png
119
6871 d 23 h
kaklik
Log
Download