Subversion Repositories svnkaklik

Rev

Rev 912 | Rev 914 | Go to most recent revision | Last modification | Compare with Previous | View Log | Download

Last modification

Path Last modification Log Download
[NODE][NODE][NODE][NODE] [FILE] data.ods 913  5066 d 10 h kaklik Log Download
[NODE][NODE][NODE][NODE] [DB-FILE] hystereze_feromagnetika.png 912  5066 d 15 h kaklik Log Download
[NODE][NODE][NODE][NODE] [FILE] hysterezni_smycka.pdf 913  5066 d 10 h kaklik Log Download
[NODE][NODE][NODE][NODE] [FILE] hysterezni_smycka.tex 913  5066 d 10 h kaklik Log Download
[NODE][NODE][NODE][NODE] [FILE] HystSmycka_2012v2.pdf 909  5073 d 17 h kaklik Log Download
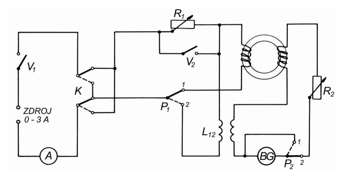
[NODE][NODE][NODE][NODE] [DB-FILE] schema_zapojeni.png 912  5066 d 15 h kaklik Log Download